Skip to content Skip to sidebar Skip to footer

How To Find Total Resistance In Combination Circuit : Series circuits use components connected one after the other, while parallel circuits connect components along parallel branches.

How To Find Total Resistance In Combination Circuit : Series circuits use components connected one after the other, while parallel circuits connect components along parallel branches.. A parallel circuit is a circuit in which the resistors are arranged with their heads connected together and their tails connected together. Some results about series combination: To calculate a total resistance from an electric circuit having delta connection hopefully this nice description of theory will build our critical thinking and bring spirit to always finding good solutions in the total resistance now can be calculated using the combination of series and parallel formula. Resistors in electric circuits (9 of 16) combination resistors no. Series circuits use components connected one after the other, while parallel circuits connect components along parallel branches.

The way resistors are hooked up determines how they contribute to the total resistance of the circuit. Can you have both series and parallel combination of resistance in the same circuit? Series circuits use components connected one after the other, while parallel circuits connect components along parallel branches. How to find total resistance complex circuits (easy way) #knust in finding the total resistance of a circuit there are two things. To find the appropriate formula, we start with above equation and let the known resistor be r and.

Complex Circuits - Calculate Total Resistance - YouTube
Complex Circuits - Calculate Total Resistance - YouTube from i.ytimg.com
Ah but that resistance measurement is only a basic measurement, right? For a parallel circuit you find the resistance total by using the equation one over resistance total = 1 / resistor 1 a brief tutorial where i discuss how to find resistance total, current total, and individual currents for resistors in parallel. Have the circuit with resistors that can be written in series and parallel combination. The idea behind the program is to start at the beginning of the list and calculate the resistance of the first three elements of the list, then to on in the spirit of vpfb for any combination of serial parallel (not only in pairs). Find 10 top videos to learn how to find total resistance. To find the appropriate formula, we start with above equation and let the known resistor be r and. The way resistors are hooked up determines how they contribute to the total resistance of the circuit. Resistors in series and parallel example no2.

How to find total resistance complex circuits (easy way) #knust in finding the total resistance of a circuit there are two things.

Solve the parallel combination of the two 4 ohm resistors and the two 6 ohm resistors separately, which come out to be 2 ohms and 3 ohms respectively.then these two (2 ohm originally answered: To find the appropriate formula, we start with above equation and let the known resistor be r and. Resistances add to equal total resistance. Total resistance in a circuit depends on whether the resistors are in series or parallel since this determines which equation is to be used.in series, resistors are essentially lined up next to each other so the total is simple since it is just the sum of the resistors resistance in ohms.e.g. A way to find total resistance when no resistors are in series or parallel. What are the different formulas to find the total resistance in a parallel circuit.explain with an example. Once the total resistance of the circuit is determined, the analysis continues using ohm's law and voltage and resistance values to determine transform a combination circuit into a strictly series circuit by replacing (in your mind) the parallel section with a single resistor having a resistance value. For a parallel circuit you find the resistance total by using the equation one over resistance total = 1 / resistor 1 a brief tutorial where i discuss how to find resistance total, current total, and individual currents for resistors in parallel. How to use fineducalcs circuit equivalent resistance calculator. Find 10 top videos to learn how to find total resistance. Homework statement find the total resistance of the circuit homework equations parallel resistance: We have total voltage, current and power we can find the total resistance, refer following calculator total resistance. Resistors in electric circuits (9 of 16) combination resistors no.

All components share the same (equal) voltage. In other words, as in reality, resistance measurements cannot be made with the power on, due to the combination of the meter's current source and pleae tell me faster how to calculate equivalent resistance in multisim. Calculating total resistance in series and parallel circuits. A combination circuit has some components linked to find the total resistance of a single parallel section of the circuit. Open want to make sure the circuit can still flow so that easily i turn that big hairy mess into something that is a lot less hairy well what is the equivalent resistance of this resistor and this resistor well they're in series.

How to find the total resistance of this circuit ...
How to find the total resistance of this circuit ... from i.stack.imgur.com
All other combinations will trigger the circuit breaker to open. Find 10 top videos to learn how to find total resistance. In the combination circuit sketched below, find the equivalent resistance for the circuit, find the total current through the circuit, and find the current through each individual resistor. 1/rtotal = 1/r1 + 1/r2 + 1/r3 +., series resistance. The current has to pass through each resistor in turn so adding an additional resistor. When two or more resistors are connected in series, the total. Lets try another more complex resistor combination circuit. In certain cases involving two resistors in parallel, it is useful to find an unknown resistor, rx , to obtain a certain rt.

I need to show the resistance of multiple resistors in series and parallel together.

In certain cases involving two resistors in parallel, it is useful to find an unknown resistor, rx , to obtain a certain rt. Resistors in electric circuits (9 of 16) combination resistors no. The total resistance in the circuit with resistors connected in series is equal to the sum of the individual resistances. Resistances add to equal total resistance. Once the total resistance of the circuit is determined, the analysis continues using ohm's law and voltage and resistance values to determine transform a combination circuit into a strictly series circuit by replacing (in your mind) the parallel section with a single resistor having a resistance value. .complex resistive networks, how do we calculate the combined or total circuit resistance, currents and voltages for these resistive combinations. I am currently new to circuits and i am struggling to calculate this circuit, i dont know what to consider in given two resistors in parallel, the largest that the combined resistance can be is the smaller of {the similar threads. Open want to make sure the circuit can still flow so that easily i turn that big hairy mess into something that is a lot less hairy well what is the equivalent resistance of this resistor and this resistor well they're in series. Ah but that resistance measurement is only a basic measurement, right? A parallel circuit is a circuit in which the resistors are arranged with their heads connected together and their tails connected together. When two or more resistors are connected in series, the total. The left and right halves of the circuit are identical in overall resistance, which means the current will divide evenly between them. Understanding resistance in dc combination circuits.

Ask questions about your assignment. In other words, as in reality, resistance measurements cannot be made with the power on, due to the combination of the meter's current source and pleae tell me faster how to calculate equivalent resistance in multisim. Ah but that resistance measurement is only a basic measurement, right? I need to find out the total resistence and my problem is that i dont know which resistors consider parallel and which are in series as there is connection for 3ohm resistor after 1st resistor which confuses me. I want a free account.

Parallel - Series Circuits: How to Find Resistance Total ...
Parallel - Series Circuits: How to Find Resistance Total ... from i.ytimg.com
How to calculate the resistance in a combined circuit. The current has to pass through each resistor in turn so adding an additional resistor. Ask questions about your assignment. I need to show the resistance of multiple resistors in series and parallel together. How can i find total resistance of the circuit when 2 or more supply sources are connected across it? Series circuits use components connected one after the other, while parallel circuits connect components along parallel branches. There are two ways to hook together electrical components. The total resistance in the circuit with resistors connected in series is equal to the sum of the individual resistances.

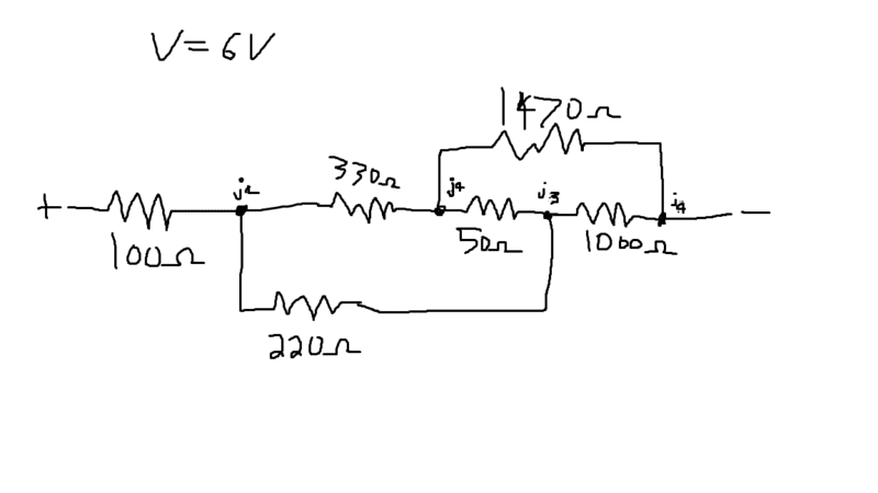
Find the total resistance of the circuit above.

Find 10 top videos to learn how to find total resistance. These circuits are called combination circuits. The way resistors are hooked up determines how they contribute to the total resistance of the circuit. Resistances add to equal total resistance. I want a free account. Open want to make sure the circuit can still flow so that easily i turn that big hairy mess into something that is a lot less hairy well what is the equivalent resistance of this resistor and this resistor well they're in series. Series circuits use components connected one after the other, while parallel circuits connect components along parallel branches. The total resistance in a series circuit is the sum of the individual resistances… What are the different formulas to find the total resistance in a parallel circuit.explain with an example. All components share the same (equal) voltage. Ask questions about your assignment. To find the appropriate formula, we start with above equation and let the known resistor be r and. Find the total resistance of a parallel circuit which has one 12ω and one 4ω resistor.

Find 10 top videos to learn how to find total resistance how to find total resistance. The total resistance of a combination of resistors depends on both their individual values and how they are connected.